Болты ОСТ 26-2037-96 предназначены для использования в элементах трубопроводах, аппаратов, соединительных компонентах приборов, элементов для химической промышленности. Фланцевые соединения и узлы работают при определенных параметрах. Температура в пределах 70 градусов мороза и 300 выше нуля. Метизы со специальными головками могут изготавливаться по желанию клиента.
Болты с шестигранной головкой для фланцевых соединений 26-2037-96 - фото - 2

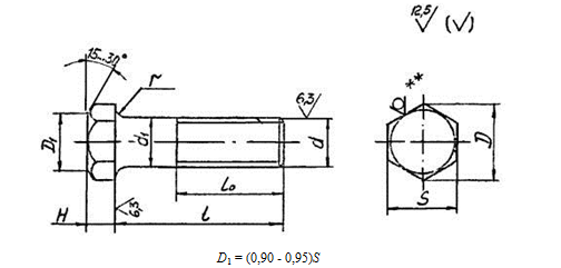
Болты с шестигранной головкой для фланцевых соединений 26-2037-96

Болты ОСТ 26-2037-96 предназначены для использования в элементах трубопроводах, аппаратов, соединительных компонентах приборов, элементов для химической промышленности. Фланцевые соединения и узлы работают при определенных параметрах. Температура в пределах 70 градусов мороза и 300 выше нуля. Метизы со специальными головками могут изготавливаться по желанию клиента.
  • Технические характеристики

Болты ОСТ 26-2037-96: особенности

Крепежный элемент выполнен с метрической резьбой. Шаг зависит от номинального диаметра и составляет от 1 до 5 мм. Головка характеризуется размером под ключ в диапазоне 10-75 мм, а ее радиус — 18-139 мм. Допускается выполнение отверстий с диаметром 1,6-8 мм.

Технология устанавливается изготовителем, заготовки и готовые болты подвергают термической обработке. Метизы производятся с защитными покрытиями или без них. Это нужно для повышения работоспособности и прочности. В зависимости от типа стали применяется покрытие цинком, фосфатное, медное, никелевое. Болты маркируются, а сама партия сопровождается документом.

Заказать качественные болты ОСТ 26-2037-96 можно в компании «СПбЗКИ». На сайте представлено описание с чертежами, таблицами. Информация поможет определиться с нужным элементом. При возникновении вопросов во время оформления звоните по телефонам или отправьте онлайн форму.

Технические характеристики

Болты ОСТ 26-2037-96: особенности

Крепежный элемент выполнен с метрической резьбой. Шаг зависит от номинального диаметра и составляет от 1 до 5 мм. Головка характеризуется размером под ключ в диапазоне 10-75 мм, а ее радиус — 18-139 мм. Допускается выполнение отверстий с диаметром 1,6-8 мм.

Технология устанавливается изготовителем, заготовки и готовые болты подвергают термической обработке. Метизы производятся с защитными покрытиями или без них. Это нужно для повышения работоспособности и прочности. В зависимости от типа стали применяется покрытие цинком, фосфатное, медное, никелевое. Болты маркируются, а сама партия сопровождается документом.

Заказать качественные болты ОСТ 26-2037-96 можно в компании «СПбЗКИ». На сайте представлено описание с чертежами, таблицами. Информация поможет определиться с нужным элементом. При возникновении вопросов во время оформления звоните по телефонам или отправьте онлайн форму.

Санкт-Петербургский Завод крепежных изделий © 2025г. Все права защищены
Адрес
СПб, г. Колпино, б-р Трудящихся, дом 2, лит. А., пом. 13-Н, офис 1
Яндекс.Метрика